สรุปผลิตภัณฑ์
| RVE35 Series ปั๊มพลังงานแสงอาทิตย์ VFD | | |
| | อินพุต DC/AC | |
| | การออกแบบที่ประณีต | |
| | MPPT | |
| พาราเมตริก | ||
| รุ่น | RVE35-T3-90G ~ RVE35-T3-132G |
| แรงดันไฟฟ้า | อินพุต 350VDC ถึง 800/900VDC, อินพุต 3 PH 380VAC ถึง 440VAC | |
| อัตรา P (กิโลวัตต์) | 90/110/132 | |
| จัดอันดับปัจจุบัน (A) | 170/210/250/300 | |
| MPPT Vmp/Voc | 540/660 | |
| ขนาด (มม.) | 845*305*358 | |
พื้นหลังแอปพลิเคชัน
| ในช่วงไม่กี่ปีที่ผ่านมา "ปัญหาอาหาร" และ "ปัญหาพลังงาน" ทั่วโลกมีความรุนแรงเพิ่มมากขึ้น ปั๊มน้ำพลังงานแสงอาทิตย์จึงค่อยๆ ได้รับการยกย่องว่าเป็นผลิตภัณฑ์บูรณาการทางอุตสาหกรรมที่มีประสิทธิภาพ เพื่อแก้ปัญหาการเพิ่มผลผลิตของพื้นที่เพาะปลูกที่มีประสิทธิภาพ และทดแทนพลังงานฟอสซิลด้วยพลังงานสะอาด เป็นผลให้เกิดแบบจำลองทางเศรษฐกิจที่เกิดขึ้นโดยอุตสาหกรรมพลังงานแสงอาทิตย์ได้รับการพัฒนาร่วมกับอุตสาหกรรมแบบดั้งเดิม เช่น การอนุรักษ์น้ำเพื่อการเกษตร การควบคุมทะเลทราย การใช้น้ำในประเทศ และภูมิทัศน์ทางน้ำในเมือง |
คุณสมบัติผลิตภัณฑ์
• การติดตามจุดกำลังสูงสุด (MPPT) ด้วยความเร็วการตอบสนองที่รวดเร็วและการทำงานที่เสถียร
• การป้องกันการทำงานแบบแห้ง (ภายใต้โหลด)
• ป้องกันกระแสไฟสูงสุดของมอเตอร์
• การป้องกันไฟเข้า
• การป้องกันความถี่หยุดต่ำ
• กราฟประสิทธิภาพ PQ (กำลัง/การไหล) ช่วยให้สามารถคำนวณการไหลเอาต์พุตจากปั๊มได้
• การควบคุมแบบดิจิตอลสำหรับการทำงานอัตโนมัติเต็มรูปแบบ การจัดเก็บข้อมูล และฟังก์ชันการป้องกัน
• โมดูลพลังงานอัจฉริยะ (IPM) สำหรับวงจรหลัก
• แผงควบคุมจอแสดงผล LED และรองรับรีโมทคอนโทรล
• มีอินพุตแหล่งจ่ายไฟ AC และ DC โหมดคู่
• เซ็นเซอร์วัดระดับน้ำต่ำ และฟังก์ชันควบคุมระดับน้ำ
• อุณหภูมิแวดล้อมในการใช้งาน: -10 ถึง 50°C
| การออกแบบที่ประณีต พื้นที่ติดตั้งลดลง 50% ปริมาณลดลง 30% | |
| | เครื่องเคลือบสีสามชั้นอัตโนมัติเต็มรูปแบบใช้เพื่อเพิ่มชั้นป้องกันของแผงวงจรให้หนาขึ้น ช่วยป้องกันความเสียหายของแผงวงจรที่เกิดจากฝุ่นลม ก๊าซที่มีฤทธิ์กัดกร่อน และอากาศชื้นได้อย่างมีประสิทธิภาพ |
| | ใช้อุปกรณ์ตรวจจับอัตโนมัติเต็มรูปแบบเพื่อทดสอบตัวบ่งชี้ทางไฟฟ้าและฟังก์ชันการป้องกันต่างๆ ของผลิตภัณฑ์ภายใต้โหลดที่กำหนด |
| | ผลิตภัณฑ์สำเร็จรูปทั้งหมดจะถูกบ่มภายใต้ภาระเป็นเวลา 48 ชั่วโมงที่อุณหภูมิสูง 60 องศา จากนั้นตัวบ่งชี้ทางไฟฟ้าทั้งหมดจะได้รับการทดสอบภายใต้ภาระ เพื่อลดอัตราความล้มเหลวของผลิตภัณฑ์ |
ศัพท์เฉพาะรุ่น
ซีรี่ส์ S2 ประเภททั่วไป:
อินพุต Vmp 310VDC หรือ 220VAC, เอาต์พุต 1/3 เฟส 0-220VAC
| รุ่น | จัดอันดับปัจจุบัน ( A ) | แรงดันไฟขาออก ( VAC ) | ใช้ได้กับปั๊มกำลัง (kW) | ขนาดภายนอกของไดรฟ์ สูง*กว้าง*ลึก (มม.) | MPPT Vmp/Voc |
| RVE35-S2-0R7G | 4 | 0-220 | 0.75 | 187*86*152 | 310/372 |
| RVE35-S2-1R5G | 7 | 0-220 | 1.5 | ||
| RVE35-S2-2R2G | 10 | 0-220 | 2.2 | ||
| RVE35-S2-3G | 13 | 0-220 | 3 | 265*105*164 | |
| RVE35-S2-4G | 16 | 0-220 | 4 |
ซีรี่ส์ T3 ประเภททั่วไป:
อินพุต Vmp540 ถึง 650VDC หรือ 380 ถึง 460VAC, เอาต์พุต 3 เฟส 0-380/460VAC
| รุ่น | จัดอันดับปัจจุบัน ( A ) | แรงดันไฟขาออก ( VAC ) | ใช้ได้กับปั๊มกำลัง (kW) | ขนาดภายนอกของไดรฟ์ สูง*กว้าง*ลึก (มม.) | MPPT Vmp/Voc |
| RVE35-T3-0R7GB | 2.5/3.7 | 0-380/440 | 0.75 | 187*86*152 | 540/660 |
| RVE35-T3-1R5GB | 3.7/5 | 0-380/440 | 1.5 | ||
| RVE35-T3-2R2GB | 5/10 | 0-380/440 | 2.2 | ||
| RVE35-T3-4GB | 10/13 | 0-380/440 | 4.0 | ||
| RVE35-T3-5R5GB | 13/16 | 0-380/440 | 5.5 | 265*105*164 | |
| RVE35-T3-7R5GB(กล่องพลาสติก) | 16/25 | 0-380/440 | 7.5 | ||
| RVE35-T3-7R5GB(กล่องเหล็ก) | 16/25 | 0-380/440 | 7.5 | 333*150*216 | |
| RVE35-T3-11GB | 25/32 | 0-380/440 | 11 | ||
| RVE35-T3-15GB | 32/38 | 0-380/440 | 15 | ||
| RVE35-T3-18GB | 38/45 | 0-380/440 | 18 | 383*180*228 | |
| RVE35-T3-22GB | 45/60 | 0-380/440 | 22 | ||
| RVE35-T3-30GB | 60/75 | 0-380/440 | 30 | 435*175*265 | |
| RVE35-T3-37GB | 75/90 | 0-380/440 | 37 | ||
| RVE35-T3-45G | 90/110 | 0-380/440 | 45 | 670*265*358 | |
| RVE35-T3-55G | 110/150 | 0-380/440 | 55 | ||
| RVE35-T3-75G | 150/170 | 0-380/440 | 75 | ||
| RVE35-T3-90G | 170/210 | 0-380/440 | 90 | 845*305*358 | |
| RVE35-T3-110G | 210A/250 | 0-380/440 | 110 | ||
| RVE35-T3-132G | 250A/300 | 0-380/440 | 132 | ||
| RVE35-T3-160G | 300A/340 | 0-380/440 | 160 | 788*500*360 | |
| RVE35-T3-185G | 340/380 | 0-380/440 | 185 | ||
| RVE35-T3-200G | 380/415 | 0-380/440 | 200 | 900*540*358 | |
| RVE35-T3-220G | 415/470 | 0-380/440 | 220 | ||
| RVE35-T3-250G | 470/520 | 0-380/440 | 250 | ||
| RVE35-T3-280G | 520/600 | 0-380/440 | 280 | 1,035*620*400 | |
| RVE35-T3-315G | 600/680 | 0-380/440 | 315 | ||
| RVE35-T3-355G | 680/750 | 0-380/440 | 355 | 1290*780*410 | |
| RVE35-T3-400G | 750/810 | 0-380/440 | 400 |
ประสิทธิภาพดีเยี่ยม
| | การควบคุมเวกเตอร์ประสิทธิภาพสูงเพื่อปรับปรุงความแม่นยำของอุปกรณ์ |
| ความถี่เอาต์พุตสูงสุดภายใต้การควบคุมเวกเตอร์สูงถึง 1500 Hz ซึ่งสามารถให้เอาต์พุตความเร็วที่มีความแม่นยำสูงภายในช่วงการควบคุมความเร็วแม่เหล็กอ่อน 10 เท่า | |
| | |
| | ไดรฟ์ที่สมบูรณ์แบบสำหรับมอเตอร์ซิงโครนัส |
| รูปคลื่นปัจจุบันของมอเตอร์ซิงโครนัสในโหมดควบคุมเวกเตอร์แบบลูปเปิดที่ 500 Hz พร้อมพิกัดโหลด 100% | |
| | |
| | การออกแบบการกระจายความร้อนที่เชื่อถือได้ |
| เทคโนโลยีการออกแบบท่ออากาศคู่แบบอิสระช่วยให้สามารถใช้งานไดรฟ์ปั๊มพลังงานแสงอาทิตย์ที่มีอุณหภูมิวงแหวน 50 ℃ โดยไม่ลดกำลังการผลิตลง |
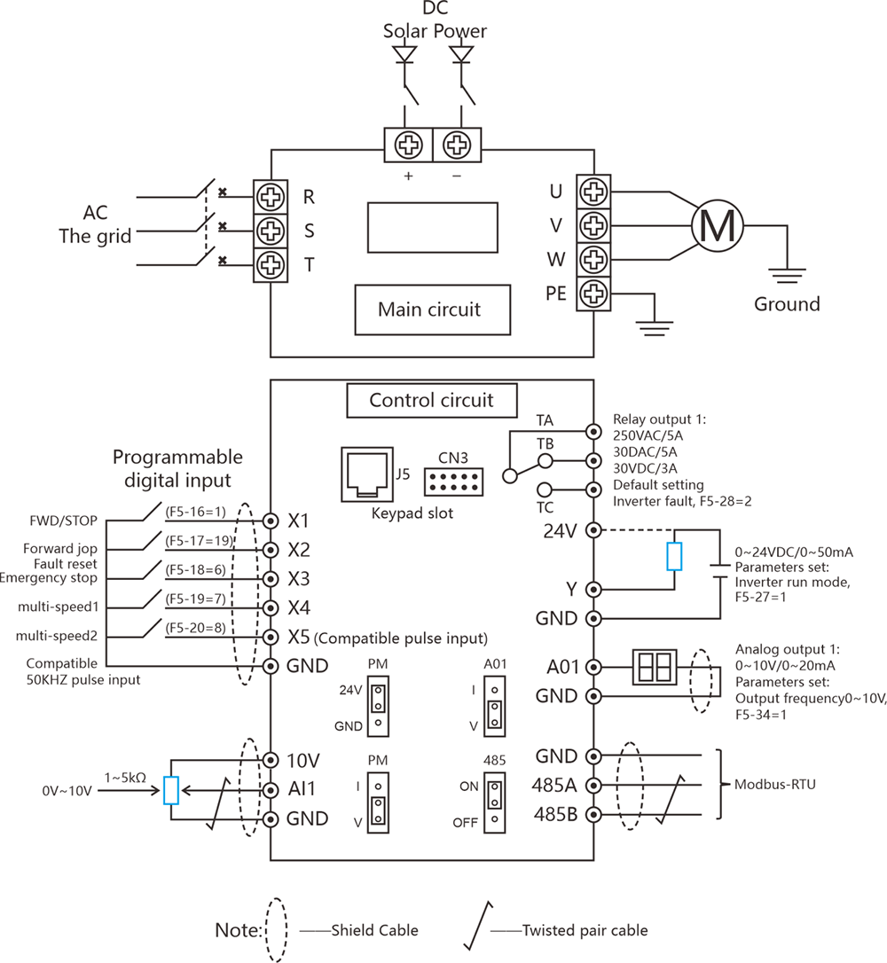
แผนภาพการเดินสายไฟ
สำหรับผลิตภัณฑ์ RVE35 0.75kw-7.5kw โปรดทราบสิ่งต่อไปนี้:
1. ผลิตภัณฑ์ไม่มีเทอร์มินัลอินพุตลอจิก X6 และ X7
2. ผลิตภัณฑ์นี้มีเฉพาะอินพุตแบบอะนาล็อก 1 ช่อง, เอาต์พุตแบบอะนาล็อก 1 ช่อง และเอาต์พุตรีเลย์ 1 ช่อง










































